
服务内容
版本及价格
基础版
¥200.00
标准版
¥1000.00
高级版
¥3000.00
服务卖点
弱电智能化设计:
1. 安全防范系统
2. 通信自动化系统
3. 办公自动化系统
4. 楼宇设备自动化系统
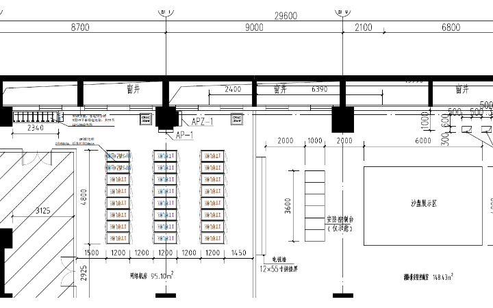
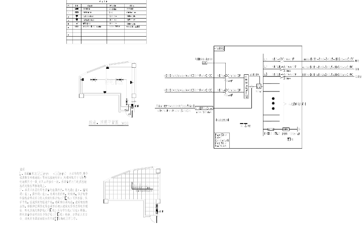
一、安全防范系统 1,周界入侵检测系统 2,视频监控系统 3,巡更系统 4,无障碍求助呼叫系统 5,速通门系统二、通信自动化系统 1,
三、办公自动化系统 1,物业管理,公共信息服务,智能卡管理等软件系统。四、楼宇设备自动化系统 1,空调自控系统 2,给排水自控系统
项目开工 验收后付款比例:50%
提供服务方式
专属服务对接群

-
-
全程一对一顾问服务

-
-
最终交付 验收后付款比例:50%
提供交付文件

-
-
交付周期
3天
1天
1天
合计
¥200.00
¥1000.00
¥3000.00
服务详情
服务区域:全国
服务内容全部包含:
提供以下弱电系统设计:
一、安全防范系统:1.周界入侵检测系统 2.视频监控系统 3. 巡更系统 4.无障碍求助呼叫系统 5.速通门系统
二、通信自动化系统 :1.综合布线系统 2.无线通信**系统
三、办公自动化系统 :1.物业管理,公共信息服务,智能卡管理等软件系统
四、楼宇设备自动化系统 :1.空调自控系统 2.给排水自控系统 3.变配电监视系统等。
服务优势:
1. 本公司的设计师均为8年以上国企大院经验,专注于自己本专业,可以解决各类设计难题。
2. 严格遵守交图时间,高效沟通,想客户所想,专业负责。
3. 沟通对接无障碍,有专人监督项目进度,检查出图质量。
4. 有线下实体公司,可开发票。
服务前需客户提供的信息:
我公司服务内容全部包含:
住宅,民宿,别墅,自建房,办公,商业,学校,医院,各类厂区、厂房设计。从报规到专业做方案+效果图+施工图,包审图通过。
施工图设计:
建筑、结构、水暖电、消防、弱电智能化、钢结构设计(施工图,深化详图拆图)、岩土、幕墙、景观、道路、市政管网综合管廊、室内工装/家装、造价预算等。
客户评价
服务综合评分
5.00
专业高效(6)值得推荐(3)严谨认真(2)沟通顺畅(2)准时交付(1)
t**5
广东
设计师很用心,提出修改的意见也积极沟通,不管有什么问题都努力帮助我解决,价格也是合理的,真的不错。
专业高效
购买: 基础版 2025-12-16
t**9
广东
非常明确的了解我们的想法,完美的构思和高效率的设计出图,很快就有了初稿,我看了之后确实也比较满意
专业高效
购买: 基础版 2025-12-16
o**1
学校的教室要改造,智能化的图纸都在这出的,施工时使用方便,设计师配合好,专业靠谱。
专业高效
购买: 基础版 2025-10-15
t**j
广东
我是干施工的,常在这家画图,因为比较专业,也准时,整体都好,合作习惯了
值得推荐
购买: 基础版 2025-10-13
t**k
湖北
医院设备机房的图纸都在这做的,第一次在网上找设计,没想到这么专业,这么方便,以后多多合作吧!
专业高效沟通顺畅严谨认真
购买: 基础版 2025-06-06
前往页
关于商家
为你推荐
内容声明 :猪八戒网为第三方交易平台及互联网信息服务提供者,猪八戒网(含网站、客户端等)所展示的商品/服务的标题、价格、详情等信息内容系由店铺经营者发布,其真实性、准确性和合法性均由店铺经营者负责。猪八戒网提醒用户购买商品/服务前注意谨慎核实。如用户对商品/服务的标题、价格、详情等任何信息有任何疑问的,请在购买前与店铺经营者沟通确认;猪八戒存在海量店铺,如用户发现店铺内有任何违法/侵权信息,请立即向猪八戒网举报并提供有效线索。






渝公网安备50019002500154号



